Double Ended Pivot Bearings
| 型名 | 外形寸法 (mm) | Radical Load Capcity (Pounds) |
Torsional Spring Rate (in-lb/deg) |
||||
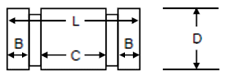
![]() |
|||||||
| Dinameter | Dimension | ||||||
| D | L | B | C | Vc | Vt | ||
| 6004-400 | 3.175 | 5.08 | 1.143 | 2.159 | 28.0 | 28.0 | 0.0140 |
|---|---|---|---|---|---|---|---|
| 6004-600 | 17.7 | 25.0 | 0.0017 | ||||
| 6004-800 | 2.2 | 4.7 | 0.0002 | ||||
| 6005-400 | 3.967 | 6.35 | 1.448 | 2.794 | 44.0 | 44.0 | 0.0279 |
| 6005-600 | 27.6 | 39.0 | 0.0035 | ||||
| 6005-800 | 3.5 | 7.4 | 0.0004 | ||||
| 6006-400 | 4.762 | 7.62 | 1.702 | 3.302 | 63.0 | 63.0 | 0.0473 |
| 6006-600 | 39.6 | 56.0 | 0.0057 | ||||
| 6006-800 | 4.9 | 9.0 | 0.0007 | ||||
| 6008-400 | 6.350 | 10.16 | 2.286 | 4.445 | 113.0 | 113.0 | 0.1141 |
| 6008-600 | 70.7 | 100.0 | 0.0143 | ||||
| 6008-800 | 8.5 | 19.0 | 0.0018 | ||||
| 6010-400 | 7.937 | 12.70 | 2.845 | 5.588 | 176.0 | 176.0 | 0.2234 |
| 6010-600 | 110.0 | 156.0 | 0.0286 | ||||
| 6010-800 | 14.0 | 29.0 | 0.0036 | ||||
| 6012-400 | 9.525 | 15.24 | 3.429 | 6.731 | 253.0 | 253.0 | 0.3840 |
| 6012-600 | 159.0 | 225.0 | 0.0480 | ||||
| 6012-800 | 19.8 | 42.0 | 0.0058 | ||||
| 6016-400 | 12.700 | 20.32 | 4.572 | 9.017 | 450.0 | 450.0 | 0.9080 |
| 6016-600 | 283.0 | 400.0 | 0.1134 | ||||
| 6016-800 | 35.4 | 75.0 | 0.0142 | ||||
| 6020-400 | 15.875 | 25.40 | 5.715 | 11.303 | 703.0 | 703.0 | 1.8500 |
| 6020-600 | 442.0 | 625.0 | 0.2321 | ||||
| 6020-800 | 55.0 | 117.0 | 0.0295 | ||||
| 6024-400 | 19.050 | 30.48 | 6.858 | 13.589 | 1013.0 | 1013.0 | 3.1800 |
| 6024-600 | 636.0 | 900.0 | 0.3980 | ||||
| 6024-800 | 78.0 | 169.0 | 0.0500 | ||||
| 6032-400 | 25.400 | 40.64 | 9.398 | 18.669 | 1800.0 | 1800.0 | 7.5200 |
| 6032-600 | 1131.0 | 1600.0 | 0.9390 | ||||
| 6032-800 | 141.0 | 300.0 | 0.1175 | ||||



